1 421 (Вчера 07:41:25 отредактировано timon.70)

Re: Программно-аппаратный комплекс управления ректификационной колонной.

1

Лень, двигатель прогресса

1 422 (Вчера 14:17:12 отредактировано timon.70)

Re: Программно-аппаратный комплекс управления ректификационной колонной.

Maxus ©:

Может правда блоки питания проверить

блок питания для стабилизатора в плате он конденсаторный, двенадцати вольтовый он 5 амперный и холодный, для него это не большая нагрузка. Может контакты все разобрать и пропаять?

еще , в качестве эксперимента , попробую на другую фазу подключить, хотя две дистиляции ведь отработал, отбор голов 15 часов тоже отработал.

Лень, двигатель прогресса

1 423

Re: Программно-аппаратный комплекс управления ректификационной колонной.

Наверно, БП проседают не по мощности, а по помехозащищенности. Может, на выход электролит с керамическим конденсатором поставить, а может, на какие-то провода ферритовые кольца надеть попробовать. Или от симистора помеха пролезает?

1 424

Re: Программно-аппаратный комплекс управления ректификационной колонной.

хотелось бы спросить у опытных владельцев двухдюймовых РК и у кого установлены манометры, какие показания при захлебе или предзахлебе, какая высота РК, если не сложно и не секрет

Лень, двигатель прогресса

1 425

Re: Программно-аппаратный комплекс управления ректификационной колонной.

timon.70 ©:

какая высота РК

нет смысла наверное, потому как мощность тэна, материал засыпки и плотность(СПН, мочалки), ат.давление, все будет влиять.

1 426 (Вчера 16:25:22 отредактировано )

Re: Программно-аппаратный комплекс управления ректификационной колонной.

1 ТЭН-3,5
2 СПН 3,5х3,5+РПН
3 1,5 метра
4 20мм.рт.ст-захлеб при 1650-1700 Вт 17-18 мм.рт.ст.- стабильна
ну вот примерно так

Kismet ©:

на какие-то провода ферритовые кольца надеть попробовать

по питанию 12 вольт?

Kismet ©:

выход электролит с керамическим конденсатором поставить

какого номинала и опять-же на 12 вольт? на БП стабилизатора я же уже не поменяю ничего или прям поверх платы между VCC-GND?

Лень, двигатель прогресса

1 427

Re: Программно-аппаратный комплекс управления ректификационной колонной.

запустил ректификацию и установил регистратор, чтобы посмотреть что происходит перед отключением, так вот , ничего не происходит, просто сразу переходит  стабилизатор в 0, а вот что на мониторе

есть идеи, что искать, помогите плизззз

  • photo_2025-10-22_21-14-32.jpg
    size: 126.87Кб type: jpg
Лень, двигатель прогресса

1 428

Re: Программно-аппаратный комплекс управления ректификационной колонной.

timon.70, так может проводка слабая?

Homo est mundi pars

1 429

Re: Программно-аппаратный комплекс управления ректификационной колонной.

Danil ©:

так может проводка слабая?

так была бы просадка перед отключением, ее не было

Лень, двигатель прогресса

1 430

Re: Программно-аппаратный комплекс управления ректификационной колонной.

kvic ©:

датчик, за почти 1000 рублей.

XGZP6857D
Понравился намного больше.
Дрейфа нет как такового.
Не требует калибровки, сразу показывает реальные паскали.
Ноль практически ноль.
Единственно выход "шуршит" в пределах пары-тройки миллиметров водного столба.
Вот шуршания:

Ось Y в мм водного столба.
Красное - RAW, синее - усредненное на 16 отсчетов.
Приемная трубка опущена в стакан с водой.
Измерение линейкой глубины подтверждает выводимые данные.

  • 6857AA.JPG
    size: 62.08Кб type: JPG
РК 35х1600

1 431

Re: Программно-аппаратный комплекс управления ректификационной колонной.

timon.70 ©:

какого номинала и опять-же на 12 вольт?

Электролиты добавлять, пожалуй, не имеет смысла - БП новый, не усохший, а вот 12-вольтовое питание неплохо бы зашунтировать керамическими конденсаторами 0,01 мкФ. Не в блоке питания, а прямо на входе платы.
Чтоб уменьшить помехи от симистора, применяется снабберная цепочка - последовательно соединенные резистор примерно 10 ом 10 Вт и конденсатор 0,25 мкФ не менее чем на 500 В. Номиналы примерные, можно изменять туда-сюда.
Но это все для случаев с глюками, когда текст писало наизнанку и тому подобное.
В случае же с отключением питания ПАК, я думаю, сработал штатно. Он же не измеряет мощность, а рассчитывает? Исходя их измеренного напряжения и введенного сопротивления ТЭНа? А если при этом сопротивлении для желаемой мощности требуется большее напряжение, чем входное - он и отключается.
И про измеритель мощности. ПАК не через него включен? Не китайский PZEM случайно? Я читал про них, что после них стабилизаторы мощности не работают. Толи портят форму напряжения, толи лишняя индуктивность в них, не помню.

1 432

Re: Программно-аппаратный комплекс управления ректификационной колонной.

Kismet ©:

китайский PZEM

Просто начинает гореть, если его зацепить на выход стабилизатора. Там бестрансформаторный бп. Если он стоит перед стабилизатором, то никакого влияния оказывать не должен. В нем импользуется трансформатор тока - ферритовое кольцо, что надевается на силовой провод. По идее можно попробовать просто снять с этого прибора питание, раз уже больше не на что грешить. У меня работал тподобный много лет с разными стабами (но только перед ними), глюков не вызывал.

1 433

Re: Программно-аппаратный комплекс управления ректификационной колонной.

Kismet ©:

И про измеритель мощности


вот такой, регулятор JohnJohnov работал нормально, китайский тоже через него работал, без проблем все работало

Kismet ©:

10 ом 10 Вт и конденсатор 0,25 мкФ не менее чем на 500 В

мощность сопротивления (10Вт) не слишком большая для этой цепочки? Надо поставить для эксперимента.

  • ваттметр.JPG
    size: 29.16Кб type: JPG
Лень, двигатель прогресса

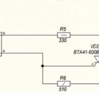
1 434 (Сегодня 09:41:06 отредактировано timon.70)

Re: Программно-аппаратный комплекс управления ректификационной колонной.

вот фрагмент схемы, симистор как у меня

просто 10 вт он же огромный , резистор

  • снабб.JPG
    size: 15.69Кб type: JPG
Лень, двигатель прогресса