81 (2020-03-02 04:14:48 отредактировано )

Re: РК 1500 медь на клампах (2 в 1) с нуля.

Иван ©:

все равно всем похер про все зазоры и паять все будут на лягавый глаз

Ну зазоры мы имеем такие, какие имеем, если вообще имеем, а паять как-то надо, не всё же аргонщиков кормить.

Иван ©:

Мне не нравится слишком долго и в пустую что-то доказывать

Да не впустую. Тем, кто с технологией пайки не знаком, пригодится.

Иван ©:

Я вообще со всем согласен

Весна, таки... :D

С уважением, <дата, подпись>, отвечайте нам, а то...
РК 28/1500
Простой стабилизированный регулятор

82

Re: РК 1500 медь на клампах (2 в 1) с нуля.

РК 1500 медь на клампах (2 в 1) с нуля.

Предлагаю почикать все после этого поста :D

"Алкоголь, друзья, не помогает, а приносит вред! Он пагубно действует на рассудок, и губит зрение!"(с)Лимонадный Джо
Ваяем медную колонну 35мм/1400 с вертикальным дефлегматором.
Это вам не Таити!!

83

Re: РК 1500 медь на клампах (2 в 1) с нуля.

bubble-gum ©:

Предлагаю почикать все после этого поста

Согласен. Инфа полезная местами, но махровый оффтоп.

С уважением, <дата, подпись>, отвечайте нам, а то...
РК 28/1500
Простой стабилизированный регулятор

84

Re: РК 1500 медь на клампах (2 в 1) с нуля.

Мда....Весело у Вас тут)). А я пока ушел спирт сырец копить, не даром тема называется "....с нуля".

85

Re: РК 1500 медь на клампах (2 в 1) с нуля.

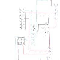
Всем доброго дня. На днях пришел РМ-2, решил собрать, но в электрике почти ноль, поэтому прошу помочь, проверить нарисованную схему, правильно ли я все собрал и подключил. Бокс собрал по прикрепленной схеме, проверил пока на лампочке и что-то мне нравится мой результат, конкретнее не получается регулировать яркость лампочки, хз может что не так подключил, может просто не научился пользоваться. Кнопка разгона работает- лампа сразу ярче светится, выключаю- тускнеет. Пока только решил проверить на лампочке, т.к. читал, как горели РМ-ки, при  серьезной нагрузки, из-за неправильного подключения. Прошу сильно не смеяться и не ругаться за мое творчество- как смог так и нарисовал, и мне так проще понимать эти схемы...

  • схема РМ-2 производителя22.jpg
    size: 266.8Кб type: jpg
  • Схема РМ-2 с вентилятором111.jpg
    size: 177.97Кб type: jpg

86

Re: РК 1500 медь на клампах (2 в 1) с нуля.

Сеня, неправильно. Нагрузка идет с ноги А2 симистора, а у тебя с А1. Проверяй схему.

Homo est mundi pars

87

Re: РК 1500 медь на клампах (2 в 1) с нуля.

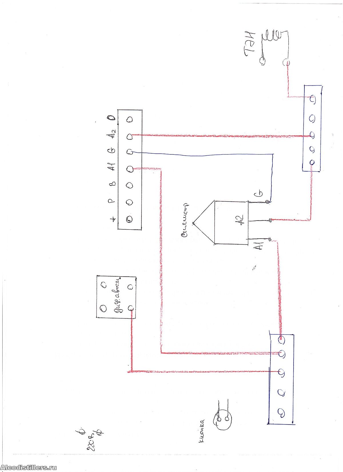
Получается неправильно подключен симистр. Схему отредактировал, оставил только подключение симистра, остальное не стал рисовать, т.к. все верно, вроде и должно быть так?

  • исправленная схема.jpg
    size: 162.55Кб type: jpg

88

Re: РК 1500 медь на клампах (2 в 1) с нуля.

Сеня, вроде так.

Homo est mundi pars

89

Re: РК 1500 медь на клампах (2 в 1) с нуля.

СПС. Буду переделать.

90

Re: РК 1500 медь на клампах (2 в 1) с нуля.

Сеня,  есть два мнения в теме Инструкция по сборке регулятора мощности на базе РМ-2  так что сам реши

У вас в жизни всегда будет все, что вы хотите, если вы будете помогать другим людям получать то, чего хотят они.
Регистрация на форуме отключает почти всю рекламу!

91

Re: РК 1500 медь на клампах (2 в 1) с нуля.

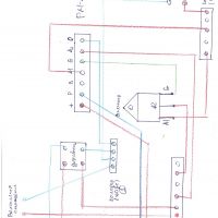
Переделал, теперь вообще не включается  *WALL*   . Вот по этой(переделаной) схеме. Что не так сделал?

  • 11111.jpg
    size: 193.79Кб type: jpg

92 (2020-04-27 15:27:45 отредактировано kvic)

Re: РК 1500 медь на клампах (2 в 1) с нуля.

Сеня ©:

Что не так сделал?

На колодке разрыв красного провода.
От дифавтомата идёт в никуда.
---
Или это соединение?

РК 35х1600

93 (2020-04-27 16:01:53 отредактировано )

Re: РК 1500 медь на клампах (2 в 1) с нуля.

kvic ©:

Или это соединение?

Прямоугольники а внутри точки- это я так колодку нарисовал. Так мне понятнее

Подскажите, а припаивать провода к симистру можно? То мысля появилась, может симистр повредил пайкой. Как проверить симистр- рабочий или нет, если нет второго?


Если изначально перепутал А1 с А2 к чему это может привести?

94 (2020-04-27 16:17:15 отредактировано Danil)

Re: РК 1500 медь на клампах (2 в 1) с нуля.

Сеня ©:

припаивать провода к симистру можно?

Нужно.

Сеня ©:

перепутал

Хз... может и спалил.
Проверь еще раз все подключения в соответствии со схемой, прилагаемой к  РМ2.

Homo est mundi pars

95

Re: РК 1500 медь на клампах (2 в 1) с нуля.

Danil ©:

со схемой, прилагаемой к  РМ2

Дык я и рисую, потому что схемы не очень понимаю. Походу к электрикам дорога...

96 (2020-06-09 20:25:06 отредактировано )

Re: РК 1500 медь на клампах (2 в 1) с нуля.

Всем доброго!! (дня или ночи... у кого как). Провел я первую свою ректификацию и вторую тоже. В общем что получилось: 96% спирт получился как в первом случае так и во втором. Запахов в теле нету(разбавлял 50/50). Узнал что такое головы и хвосты, по нюху- хвосты ппц ацетоном прут..... головы более менее нюхабельные. Брага сахарная , гидромодуль 1/5, дрожи Пакмай, вода после осмоса, сахар с Магнита, бродила ~ 2 недели при комнатной температуре в квартире. Емкость 30л для брожения.  Что хочу сказать по итогу 2х запусков колоны: ЧТО-ТО НЕ ДОЧИТАЛ, НЕ ДО ИЗУЧИЛ  и т.п. В первый раз все показания не записывал, т.к. не до них было- смотрел на процесс как баран на новые ворота..... Во второй раз стал записывать показания температуры и нагрузки.
В вкратце: Головы- Тпара-78,1 : Т2/3-76,5: Т воды-45-50.Головы отбирал ~100мл/ч при 1кВт напруги(+-10-20Вт). Отобрав головы- пошло тело.
Тело:  Тпара-78,5: Т2/3- 76,9: Тводы-~50,  при  1,1кВт напруги.
Хвосты: пошел рост Т2/3 поменял банку, отобрал немного хвостов и закончил процесс.
Регулятор дядюшки Ляо, РМ-2 в процессе настройке(симистор полетел-жду новый), напряжение плавает в пределах 50-100Вт, что пагубно влияет на весь процесс, т.к. приходится то воду крутить, то напругу менять: но по итогу нашел баланс(примерный).
Головы отбираю в пленочном режиме(100 мл/ч).Тело в предзахлебе (300-500мл/ч).Хвосты-на всю мощь.
Про СС- 10л 40%- АС- 4л, головы 15%~ 600мл. Тело 3200мл+хвосты ~200мл.
По калькулятору в обоих случаях получил необходимое.
Сейчас делаю настойки на разных ингридиентах- дабы найти золотую середину.
До этого была просто предЪистория, для ознакомления.
Ошибку в моём процессе я увидел- разница Т-емператур не соостветствует физике. Т.е. температура должна быть наоборот- на пару меньше, чем на 2/3 царги.(А у меня наоборот). В связи с этим получился неправильный запуск колоны. Но это я уже узнал после процесса(читал мало((....).
По итогу понял, что насадка распределена неправильно- я ее забивал трубой принудительно, до упора следующей. Получилось, что распределение не равномерное( хотя продувается с небольшим усилием).
Почему пришел к такому выводу: Отбор голов на ~900-950Вт,-пленочный режим,  чуть даю напругу(~1000-1050кВт), получаю предзахлеб(трубка возврата заполнена, уровень в гидроуровене между паропровода и трубки возврата). Т.е. от пленочного режима до предзахлеба, у меня разница примерно  100-150Вт( по показаниям китайского регулятора напряжения).
Подводя итог: планирую перебрать мочалки и забить их равномерно, т.к. мне кажется, что проблема в них. Где-то затык походу.
Прошу сильно не пинать! А критику приветствую))

Возможно что -то неправильно выразился, прошу поправить... А размышляя над ректификацией, с точки зрения философии, если получил спирт- это считается, что ты приобрел ДЗЕН в этом искусстве? Или спирт 96% это вообще не показатель мастерства оператора? Чисто для саморазвития и понимания( не обязательно для ответа).

97

Re: РК 1500 медь на клампах (2 в 1) с нуля.

Сеня ©:

Т.е. температура должна быть наоборот- на пару меньше, чем на 2/3 царги.(А у меня наоборот). В связи с этим получился неправильный запуск колоны. Но это я уже узнал после процесса(читал мало((....).
По итогу понял, что насадка распределена неправильно- я ее забивал трубой принудительно, до упора следующей. Получилось, что распределение не равномерное( хотя продувается с небольшим усилием).

Тоже было так в первый раз.
Тут может быть несколько моментов:
Неравномерное распределение мочалок
Неправильная установка датчиков
Что-то еще. Например, вместе с предыдущими факторами, не раскочегарил толком колонну, фракции не выстроились.
Мочалки. Катал колбаски, пробовал гандончики, и т.д. и т.п.
Это надо просто набить руку. В данный момент у меня как таковых мочалок нет :)
Есть просто мочалочный клубок спутанных мочалок. Я просто "отрываю" кусок мочалок, руками раскатываю примерно по диаметру трубы, и запихиваю в царгу. И так несколько раз, пока мочалки не начнут вылазить с другой стороны. Потом стукаю царгой по полу, предварительно подложив тапок, чтоб соседи не сильно нервничали :) и так с обоих концов, пока не напихаю нужное количество, т.е. весь клубок. Такими простукиваниями через тапок мочалки боле мене равномерно распределяются по царге.
Потом острым предметом проминаю место под температурный датчик. У меня просто припаяна трубка чуть бОльшего чем у датчика диаметра, и через силиконовую трубку засовываю датчик, предвартьельно намотав на датчик немного ФУМ ленты для герметичности.
Ну и стараемся пропихнуть датчик подальше, но чтоб не касался противоположной стенки. Если перепихаешь и будет касаться - плохо. Недопихаешь - тоже плохо.
В итоге все получается как надо.
И у вас получится. :)

Сеня ©:

получил спирт- это считается, что ты приобрел ДЗЕН в этом искусстве?

Поздравляю, три класса ЦПШ вы осилили.. :)
Впереди фрукты и зерно.

"Алкоголь, друзья, не помогает, а приносит вред! Он пагубно действует на рассудок, и губит зрение!"(с)Лимонадный Джо
Ваяем медную колонну 35мм/1400 с вертикальным дефлегматором.
Это вам не Таити!!

98

Re: РК 1500 медь на клампах (2 в 1) с нуля.

Сеня ©:

Головы отбирал ~100мл/ч

Лучше медленнее.

Сеня ©:

Ошибку в моём процессе я увидел- разница Т-емператур не соостветствует физике.

Возможные причины bubble-gum выше озвучил.
Могу только добавить, что  у меня и кое у кого еще здесь - тоже самое.  Привык уже, на процесс не влияет.

Сеня ©:

Почему пришел к такому выводу: Отбор голов на ~900-950Вт,-пленочный режим,  чуть даю напругу(~1000-1050кВт), получаю предзахлеб

Или режим не пленочный. Как определили, что режим пленочный?

Сеня ©:

Или спирт 96% это вообще не показатель мастерства оператора?

Это первый этап. Не самый сложный, но самый важный и очень приятный. Это только начало, поздравляю!

99

Re: РК 1500 медь на клампах (2 в 1) с нуля.

Сеня ©:

Или спирт 96% это вообще не показатель мастерства оператора?

Показатель мастерства оператора - это получение желаемого результата, а остальное лирика, если это не ядовитое, конечно  *HI*
Мои поздравления, а остальное с опытом  *DRINK*

Пиво — интеллектуальный напиток. Какая досада, что его пьет так много идиотов.

100 (2020-06-10 13:12:54 отредактировано )

Re: РК 1500 медь на клампах (2 в 1) с нуля.

avk676 ©:

Или режим не пленочный. Как определили, что режим пленочный?

С трубки возврата флегма равномерно стекает(трубка не заполнена).

bubble-gum ©:

Неправильная установка датчиков

Датчик на 2/3 вставлял до упору, а потом немного назад и естественно с фумлентой. Возможно сам датчик(у меня барбекю термометр) не точен, именно этот я так и не проверил. В следующий раз попробую другой вставить.
Ну а по мочалкам буду перебирать, походу неправильно их внедрил, хотя читал как нужно правильно их вставлять,но это мелочи. Всем спс за поддержку. Буду набивать руку)).

И немного фото результата.


  • 2222.jpg
    size: 183.76Кб type: jpg
  • 11111.jpg
    size: 256.86Кб type: jpg