441

Re: Мой перегонный комплекс

st ©:

Да кто ж запрещает, тем более что эти два понятия всегда приравнивались.

Фухх! прям гора с плеч :D
Шутка это :)

442 (2025-08-18 19:17:40 отредактировано Андрей6319)

Re: Мой перегонный комплекс

Сегодня по работе пришлось проштудировать расчеты тэнов, на глаза попалась таблица:

Не, не собираюсь возобновлять позапрошлогодичный спор. Абсалютно сагласен что температура поверхности тэна, кипятящего воду при атмосферном давлении и с нашими удельными мощностями может быть и 250, и 450, и 850, и... да сколько понравится градусов. Просто приятно вдруг узнать, что на планете есть по крайней мере еще один полудурок, который как и я считает что она не превышает ста градусов, собственно что и подтвердил мой опыт :D

  • тт.jpg
    size: 92.85Кб type: jpg

443

Re: Мой перегонный комплекс

Андрей6319 ©:

на глаза попалась таблица

Мда...
Прям одной строчкой то ли запретил использование ТЭНов в воде, кипящей при повышенном давлении (в ПВК, например), и в доброй половине растворов кислот и щелочей (тех, что кипят при температуре выше 100℃), то ли запретил оболочке ТЭНа нагреваться выше 100℃, то ли запретил воде и растворам кипеть выше 100℃. Не полудурок - самодур, прям!  :D
С другой стороны, таблица называется "Характерные случаи применения ТЭН и удельные поверхностные мощности в зависимости от условий эксплуатации и материала оболочки". Т.е. характерно применение ТЭНов для нагрева воды/растворов и кипячения растворов "с максимальной температурой 100℃", т.е. бражки. Ну, вполне характерные применения, бесспорно. Претензий к полудурку нет.  :D

Тут надо отметить, что в предыдущих редакциях этого ГОСТа такой строчки нет, в таблице температура оболочки для случая "нагревание/кипячение воды/растворов" просто не указана.

Этот гос.норматив не единственный, в который внесли спорные (мягко говоря) изменения после 84 года, их довольно много и есть такие, за которые тех "полудурков" надо преследовать по закону самым серьезным образом. Например, печально известный СНиП по теплотехнике.

  • Таблица_режимов_ТЭНов_ГОСТ13268-83.jpg
    size: 104.2Кб type: jpg
С уважением, <дата, подпись>, отвечайте нам, а то...
РК 28/1500
Простой стабилизированный регулятор

444

Re: Мой перегонный комплекс

JohnJohnov ©:

Мда...

Абсалютно сагласен, земля не везде круглая, попадаются и оранжевые участки.

445

Re: Мой перегонный комплекс

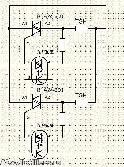
Достался такой термостат:

Выходы на симисторах, выглядит примерно так:

Планирую использовать в бродильне. Канал А будет отслеживать температуру нагревателя, канал В температуру воздуха в бродильне. Будут ли работать симисторы при таком включении?

  • 92.jpg
    size: 320.28Кб type: jpg
  • 93.jpg
    size: 310.04Кб type: jpg
  • 79.png
    size: 16.75Кб type: png
  • 80.png
    size: 11.83Кб type: png

446

Re: Мой перегонный комплекс

Андрей6319 ©:

Будут ли работать симисторы при таком включении?

Если только на оба светодиода одновременно подать напряжение.
Тогда возможно оба симистора откроются.

РК 35х1600

447

Re: Мой перегонный комплекс

kvic ©:

Если только на оба светодиода одновременно подать напряжение.
Тогда возможно оба симистора откроются.

kvic, наверное не совсем понятно спросил :) Интересует не поплохеет ли оптронам или "мозгам" при таком включении симисторов. Как-то не хочется спалить штуковину.
Там ПИД, но при пробном включении похоже что оба канала запускаются синхронно, но каждый со своей(нужной в данный момент) скважностью.

448

Re: Мой перегонный комплекс

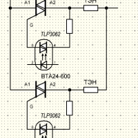
Я думаю, надо не симисторы включать последовательно, а их управляющие оптроны? А каждый симистор пусть так и управляет своим ТЭНом?

449

Re: Мой перегонный комплекс

Kismet ©:

А каждый симистор пусть так и управляет своим ТЭНом?

ТЭН будет один, он греет антифриз в емкости

Один из датчиков должен следить за ее температурой. Второй следит за температурой в камере. Отключение нагрева должно быть либо при достижении заданной температуре антифриза, либо при достижении температуре воздуха в камере. Схема прекрасно работает и безопасна, но работает на двух, отдельных, термостатах с релейными выходами при режиме вкл-выкл. Тут ПИД и симисторы.
В этом году дохрена винограда и яблок, так что пришлось сделать вторую бродильню :)

  • 31.jpg
    size: 378.11Кб type: jpg

450

Re: Мой перегонный комплекс

Андрей6319, по второй схеме получается, что они должны только одновременно запуститься, иначе ни один не откроется. Если один отключится, отключится и второй. И потом снова запускать оба вместе только.

451

Re: Мой перегонный комплекс

Опять же, по моему мнению, надо включить последовательно оптроны - их выходные фотодиоды, и управлять одним симистором. А входы оптронов управляются каждый своим каналом. Есть условия для включения ТЭНа в каждом канале - нагрев включится. Хоть в одном нет - нагрева не будет.

452

Re: Мой перегонный комплекс

Последовательное включение выходов оптронов тоже не факт, что будет работать корректно, там на выходе тоже симисторы, точнее, фото-симисторы.
Надо объединять управляющие выходы контроллера, но для этого нужно знать, что они из себя представляют.

Андрей6319, есть хоть какая-то документация на контроллер или на шильдике какие-нибудь пояснения?

С уважением, <дата, подпись>, отвечайте нам, а то...
РК 28/1500
Простой стабилизированный регулятор

453

Re: Мой перегонный комплекс

JohnJohnov ©:

есть хоть какая-то документация на контроллер или на шильдике какие-нибудь пояснения?

Совершенно ничего.

JohnJohnov ©:

Надо объединять управляющие выходы контроллера, но для этого нужно знать, что они из себя представляют.

Kismet ©:

Опять же, по моему мнению, надо включить последовательно оптроны - их выходные фотодиоды, и управлять одним симистором.

Представляют два независимых канала от датчиков до симисторов. Если в каком либо месте их объединить, то на выходе получаем один управляющий нагревателем элемент. Не знаю, я сторонник дублирования в оборудовании, которое работает сутками без присмотра. Впрочем об этом уже был разговор и такой подход признали ошибочным и чрезмерно дорогим.
В общем буду пробовать вариант с последовательным включением симисторов, лучше пусть сгорит блок при спытаниях, чем гараж при эксплуатации :)

454

Re: Мой перегонный комплекс

Андрей6319 ©:

В общем буду пробовать вариант с последовательным включением симисторов, лучше пусть сгорит блок при спытаниях, чем гараж при эксплуатации

Ну гореть-то блоку не от чего. Просто симисторы могут не включаться, когда должны, учитывая, что там ПИД. Результат плохо предсказуем, но будет скорее холодно.  :)

С уважением, <дата, подпись>, отвечайте нам, а то...
РК 28/1500
Простой стабилизированный регулятор

455

Re: Мой перегонный комплекс

JohnJohnov ©:

Ну гореть-то блоку не от чего.

В этом и заключался мой вопрос.
Жаль что период можно увеличить только до двух секунд, если бы секунд двадцать, то просто поставил бы релюшки вместо симисторов и не парился :)

JohnJohnov ©:

симисторы могут не включаться, когда должны, учитывая, что там ПИД. Результат плохо предсказуем, но будет скорее холодно. 

А вот тут не соглашусь, очень велика вероятность что все будет как надо, ведь

Андрей6319 ©:

похоже что оба канала запускаются синхронно, но каждый со своей(нужной в данный момент) скважностью.

456

Re: Мой перегонный комплекс

Всем спасибо за рекомендации! При последовательном включении симисторов все работает, ничего не сгорело, ПИД-ешки каким-то образом подстроились друг под друга, температура воздуха в камере держится с точностью один градус.

457

Re: Мой перегонный комплекс

Сегодня начал сбор винограда, пока набрал кг семьдесят и еще примерно столько же еще висит. Передавил вместе с гребнями, отцедил немного сока для исследования. АС-3 показал 15% сахара, лакмусовая бумага - pH 3. Наверное не буду добавлять ни воды, ни сахара, посмотрю что за чача выйдет из этого сырья. Т.к. в двух бродильнях смогу разместить по одной пластиковой бочке на 50 л и одной стеклянной бутыли( с узким горлом) на 20 л, то придется, по мере заполнения бочек, цедить сок и сливать его в бутыли.
Хлопотно, а что делать :)

458

Re: Мой перегонный комплекс

Продолжаю сбор урожая винограда :) Но суть не в этом. Сползал к соседу :D , сорвал гроздь у него. Сорт как у меня, гроздья плотные, ягода почти черная, гребни коричневые. Т.е. по признакам вполне зрелый виноград. Там за ним ухаживают, а я так и не смог понять как и что у него обрезать, так что растет дикушкой. А поработал пластуном  :D для сравнить вкус. Мой оказался намного слаще и интересней на вкус.
В этом году попробовал работать по листу монофосфатом калия в "лошадиной" дозировке. Результат порадовал, думаю что в хороший год виноград должен быть еще вкусней.

459

Re: Мой перегонный комплекс

Андрей6319, весной азот, как завязалось -вломи калию ему и дальше уже дело природы.... сезона, тепла, солнца и вообще бахус его знает чего  *SHAM*  А как почикать есть в теме МихСаныча где-то, я когда по его методе чикал, так у меня куст старый аж но "тройню родил"  :) Сейчас опять оброс - запустил я его... но весной почикаю опять.

У вас в жизни всегда будет все, что вы хотите, если вы будете помогать другим людям получать то, чего хотят они.
Регистрация на форуме отключает почти всю рекламу!

460

Re: Мой перегонный комплекс

Иван ©:

А как почикать есть в теме МихСаныча

Много где есть. Смотрю на картинки или видюшки - все понимаю. Гляну на свою реальность... не пахарь я. Очень далеко не пахарь :)