Re: Индукционная плита с плавной регулировкой до 1-2kW
Подскажите, пожалуйста. С наскока победить не получилось
Kitfort kt-101 выпаял подстроечник 501-й. На разные дорожки на плате припоял левый и средний контакты на переменнике. От среднего к правому кинул перемычку. Включаю - пищит, ставлю клавишами мощность 1400,кручу переменник - мощность не меняется и продолжает пищать. Показания смотрю на китайском приборе, который 4в1. Подскажите, куда копать?
Переменник проверил тестером - показания меняются от 0 до 500

А то так не интересно 

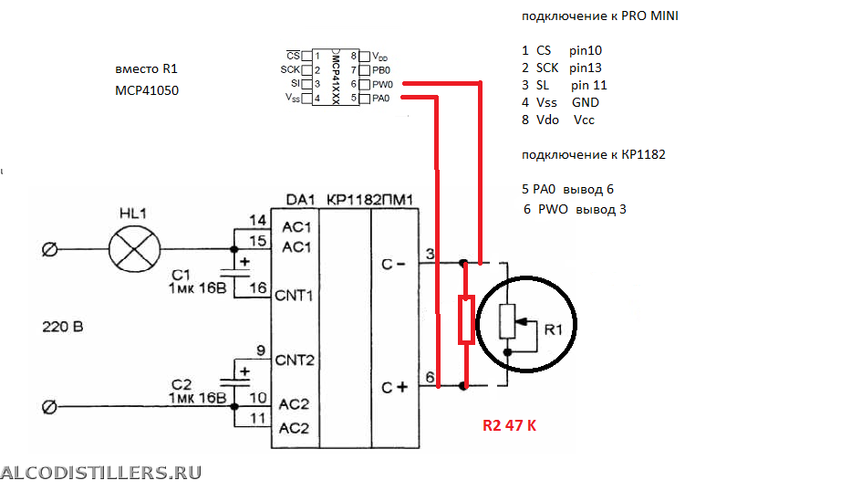
На переменнике я ручку рукой поверну... а тут как?
