21

Re: Индукционная плита с плавной регулировкой до 1-2kW

Андрей М, там таймер вероятно отрабатывает на отдельном пине, подает импульс на сброс (на контроллер клавы), надо проверять... возможно искать нужно как раз на тех двух ногах, около перемычки или крайняя правая -11 вывод.  Давать рекомендации без тестирования не могу, так как вопрошающий может спалить технику.  Если интересно, тебе могу дать инфу по этому микроконтроллеру, он очень даже распространенный, а хитрые китайцы просто тупо затирают название и клеят бумажку.  Вероятней всего, из-за того, что паяют отладочные версии. Сам контроллер копеечный, 45 рублей за штуку в рознице.

У вас в жизни всегда будет все, что вы хотите, если вы будете помогать другим людям получать то, чего хотят они.
Регистрация на форуме отключает почти всю рекламу!

22 (2017-08-07 22:15:25 отредактировано UrdgiN)

Re: Индукционная плита с плавной регулировкой до 1-2kW

Иван ©:

UrdgiN, если не трудно, на большой плате обозначь на обратной стороне первую ногу большой микрухи и размести обе фото по одной оси, чтобы сопоставить верх-низ платы,  ... как раз начал по ней даташит читать... 
Так-то плитку бы эту в руки.... удаленно аборт делать трудно.

Иван, фотошопом владеете?
первый файл это две фотки по слоям, управляя прозрачностью верхнего слоя можно "проявлять" дорожки поверх деталей.
остальные файлы - это жипеги с прозрачностью верхнего слоя 100,75,50,25 и 0% соответственно
https://yadi.sk/i/rlWP69Bw3LnmRf
https://yadi.sk/i/ORqKqqr93LnmrU
https://yadi.sk/i/8vlaJg783LnmwB
https://yadi.sk/i/26hZkBDj3Lnmyp
https://yadi.sk/i/c5x8RYOd3Lnn3Q
https://yadi.sk/i/LnI51d1M3Lnn4y

23

Re: Индукционная плита с плавной регулировкой до 1-2kW

Андрей М ©:

Будет ясно, что может конкретный экземпляр.

Экран мощности на плите,показывает реальную мощность,или конкретный шаг,в котором происходит плавная регулировка?

Нет ничего невозможного,необходимо две вещи,время и деньги!(Я)
Я отношусь к людям так,как они относятся ко мне!(Я)

24

Re: Индукционная плита с плавной регулировкой до 1-2kW

mastervictor ©:

Экран мощности на плите,показывает реальную мощность,или конкретный шаг,в котором происходит плавная регулировка?

посмотри табличку в первом сообщении темы, там как раз про это

Иван ©:

Андрей М, там таймер вероятно отрабатывает на отдельном пине, подает импульс на сброс (на контроллер клавы), надо проверять... возможно искать нужно как раз на тех двух ногах, около перемычки или крайняя правая -11 вывод.  Давать рекомендации без тестирования не могу, так как вопрошающий может спалить технику.  Если интересно, тебе могу дать инфу по этому микроконтроллеру, он очень даже распространенный, а хитрые китайцы просто тупо затирают название и клеят бумажку.  Вероятней всего, из-за того, что паяют отладочные версии. Сам контроллер копеечный, 45 рублей за штуку в рознице.

Т.е. таймер на этом пике настраивается на внешнюю ногу, которая взводит другую ногу, по которой срабатывает прерывание "СТОП"?
Интересное решение, достаточно извращенное,что-бы использоваться в микроконтроллерах ))
Название контроллера скинь, узнаю, смогу ли его без затрат задампить или нет.

25

Re: Индукционная плита с плавной регулировкой до 1-2kW

Андрей М ©:

посмотри табличку в первом сообщении темы, там как раз про это

Таблицу видел.Врезать Амперметр в розетку нет проблемы.
Индикатор на панели плиты,меняет свои значения,при плавной регулировке?

Нет ничего невозможного,необходимо две вещи,время и деньги!(Я)
Я отношусь к людям так,как они относятся ко мне!(Я)

26

Re: Индукционная плита с плавной регулировкой до 1-2kW

mastervictor ©:

Таблицу видел.Врезать Амперметр в розетку нет проблемы.
Индикатор на панели плиты,меняет свои значения,при плавной регулировке?

Нет

Рк 42 1700 3кв

27

Re: Индукционная плита с плавной регулировкой до 1-2kW

mastervictor ©:

Таблицу видел.Врезать Амперметр в розетку нет проблемы.
Индикатор на панели плиты,меняет свои значения,при плавной регулировке?

мощеметр за 500р с алиэкспресса 100% меняет. И киловатты сожранные считает.

28 (2017-08-08 15:17:44 отредактировано )

Re: Индукционная плита с плавной регулировкой до 1-2kW

UrdgiN ©:

фотошопом владеете?

Нет, принципиально пользуюсь бесплатным Gimp аналогом которого и является фотошоп.
Я посмотрел примерные схемы, у меня появилось больше вопросов чем ответов, короче, я полный пустышка в электронике и не смог разобраться. Так что передаю эстафету и информацию специалисту.   Если бы у меня была конкретно такая плитка, я бы повозился чисто методом тыка, но советовать другому человеку не буду...

Андрей М ©:

Т.е. таймер на этом пике настраивается на внешнюю ногу, которая взводит другую ногу,

Смотри примерную схему... и мануал по чипу целиком забирай (ссылка внизу)...

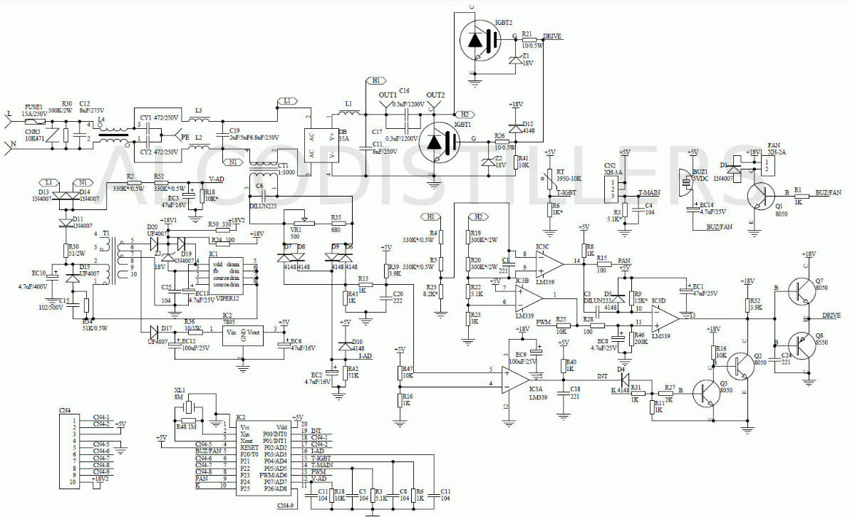
Микроконтроллер S6F9454 со встроенным ШИМ контроллером на борту.

По моему скромному мнению, используется 11 вывод, он судя по мануалу считается альтернативным и может исполнить любую функцию, которую задали в программе...  У меня 16 ногая версия, схема отличается, но по описанию, они взаимозаменяемы, с той только разницей, что в урезанной (как у меня) версии, теряется часть функций. 

Микроконтроллеры S3F9454 поставляются в 20-выводных корпусах DIP и SOP и в 16-выводных корпусах DIP. Микроконтроллеры S3F9444 поставляются в 8-выводных корпусах DIP и SOP. Pазводка выводов по корпусу выполнена таким образом, что переход от 20-выводного корпуса 16-выводному корпусу и далее к 8-выводному происходит простым "отрезанием лишних" выводов с исключением, естественно, некоторых функций. Так, при переходе от 20-выводного корпуса к 16-выводному "отрезаются" выводы 4,5 и 6 порта P2 и вывод 7 порта 0, вместе с альтернативными функциями этих выводов (ADC7 и ADC8); при дальнейшем переходе к 8-выводному корпусу "отрезаются" выводы с 0 по 3 порта P2, выводы с 3 по 6 порта P0. Соответственно "отрезаются" и альтернативные функции этих выводов (P2.0/T0, ADC3, ADC4, ADC5 и ADC6/PWM)

Немного достоверной инфы..

BUZ/FAN – (5 pin P20/T0) выходной сигнал, включает вентилятор. Алгоритм работы при включенной индукционной плите U=0В, при включении нагревателя U=4В, после выключения нагревателя, сигнал продолжает удерживаться 1,5-2 мин.
T-IGBT - (15 pin P04/AD4) входной сигнал, снимается с делителя - терморезистора RT (3950-10K) и резистора R6 (1К). Терморезистор RT (3950-10K) установлен на одном из IGBT транзисторов (не на радиаторе). При нормальной температуре (25С) на вход приходит около U=0,5В, при перегреве около U= 3-4В

PWM – (13 pin PWM/AD6) выходной сигнал. Сигнал с ШИМ, управляет силовыми ключами нагревательного элемента. Частота около 50кГц. Сигнал появляется сразу после подачи питающего напряжения на микроконтроллер. По наличию сигнала можно косвенно судить по исправности микроконтроллера.

INT – (19 pin P00/INT0) выходной сигнал. Этим сигналом закрывается драйвер Q7(8050), Q8(8550) силовых ключей. При этом сигнал PWM продолжает выдавать меандр.

CN4-5 – (4 pin Reset) никуда не подключен, даже к +5В. Контакт уходит на плату индикации и там просто висит в воздухе.

PAN - (19 pin P24) входной сигнал. Сигнал формирующийся из разности сигналов H1 и H2, сигнал говорит о том, что на рабочей поверхности находится железный предмет, например кастрюля.

V-AD - (12 pin P07/AD7) входной сигнал. Сигнал индикатор входного напряжения на силовом диодном мосте.

I -AD - (16 pin P02/AD2) входной сигнал. Сигнал индикатор с токового трансформатора CT1, его наличие говорит, что по силовому диодному мосту течет ток.

В плитке конкретно S3F9454BZZ-DK94 , есть вероятность, что они на ебее уже прошитые продаются... от 45 до 150 рублей, цена у всех разная.

У вас в жизни всегда будет все, что вы хотите, если вы будете помогать другим людям получать то, чего хотят они.
Регистрация на форуме отключает почти всю рекламу!

29

Re: Индукционная плита с плавной регулировкой до 1-2kW

Иван ©:

В плитке конкретно S3F9454BZZ-DK94

Мой вариант с переписыванием всего софта не прокатит. SDK самс не дает (. Получается один вариант - вешать вместо нее PIC или avr какой.

На первой странице читаем: "The S3F9454B is an MTP (Multi Time Programmable) version of the S3C9454B microcontroller. The S3F9454B has on-chip 4-Kbyte multi-time programmable flash ROM instead of masked ROM."
По счастливой случайности или преступному недосмотру кто-то впаял "отладочную" версию МК в готовое устройство. Но вряд ли поможет в данном случае, потому что никакой информации о программировании и возможности прочтения прошивки (не факт что это вообще возможно) гнусмасовцы не дают
.....

30

Re: Индукционная плита с плавной регулировкой до 1-2kW

Андрей М, можно просто на той же ардуине типа про-мини поставить отработку по таймеру через оптрон на кнопку... да и все. Делов на 100 рублей, места внутри хватит еще на много чего.  Только отработка должна быть импульсом, а не просто вкл.

У вас в жизни всегда будет все, что вы хотите, если вы будете помогать другим людям получать то, чего хотят они.
Регистрация на форуме отключает почти всю рекламу!

31 (2017-08-09 10:56:03 отредактировано Андрей М)

Re: Индукционная плита с плавной регулировкой до 1-2kW

В описании контактов не хватает датчика температуры поверхности, надо плату смотреть.
ПМСМ профита большого не получим т.к. не вижу обратной связи по току и напряжению питания.

у этого проца таймер внутренний есть, так что отрыв ноги не поможет, контроль времени - алгоритмический

Иван ©:

Андрей М, можно просто на той же ардуине типа про-мини поставить отработку по таймеру через оптрон на кнопку... да и все. Делов на 100 рублей, места внутри хватит еще на много чего.  Только отработка должна быть импульсом, а не просто вкл.

Это вообще не проблема. Только учти, внутри плиты жарковато для хреновенькой ардуины


А так идея - максимум самогинатор внутрь плиты воткнуть. Жаль, что железо ESP и ардуина очень нестабильное. Осенью буду колупать RTL, посмотрим, что получится

32

Re: Индукционная плита с плавной регулировкой до 1-2kW

Андрей М, у панели управления есть места для установки, там плата про-мини встанет легко и не жарко там.... у меня оптроны там стоят.. Инструкция по сборке аппаратного комплекса TMAS-1.0 для автоматизации

У вас в жизни всегда будет все, что вы хотите, если вы будете помогать другим людям получать то, чего хотят они.
Регистрация на форуме отключает почти всю рекламу!

33

Re: Индукционная плита с плавной регулировкой до 1-2kW

Иван ©:

Андрей М, у панели управления есть места для установки, там плата про-мини встанет легко и не жарко там.... у меня оптроны там стоят.. Инструкция по сборке аппаратного комплекса TMAS-1.0 для автоматизации

Скоро твой кит человеческим языком заговорит :).

Надо подумать над ардуиной. Ведь в плите есть +5, кнопки опросить, экранчик/диоды  и PWM не проблема. Нужно аварийное отключение надежное, чтобы плиту не прибить.

34

Re: Индукционная плита с плавной регулировкой до 1-2kW

Плитка Ricci JDL-C20A15, Black

Помучившись с ней,вернее с ее шагом регулировки,где 600 Вт-циклическая работа,а 900 Вт,уже много,взял я ее на кухню,и попробовали с супругой борщ сварить,не удобно,это не газ-сказала супруга!
Вскрыл я ее.

Подстроечное сопротивление на 680 Ом.
Прикупил переменное-50р,и крутилку-20р.

При резком вращении,издает кратковременно какойто "хрю",но табло не тухнет, и значение не меняет. При плавном вращении,изменение мощности отчетливо слышно! Плиту с новой регулировкой,в деле еще не испытал.(плита выдерживает почти 30 кг веса-моя заправленная установка,и ценник на плитку очень хорош!)

Андрей М ©:

мощеметр за 500р с алиэкспресса


Уже в пути.

  • Ricci_JDL-C20A15_Black.jpg
    size: 40.71Кб type: jpg
  • Ricci_JDL-C20A15_Black.jpg
    size: 40.71Кб type: jpg
  • WhatsApp_Image_2017-08-22_at_17_58_47.jpg
    size: 67.61Кб type: jpg
  • converted_file_cda733cf.jpg
    size: 118.22Кб type: jpg
Нет ничего невозможного,необходимо две вещи,время и деньги!(Я)
Я отношусь к людям так,как они относятся ко мне!(Я)

35 (2017-09-10 13:08:08 отредактировано UrdgiN)

Re: Индукционная плита с плавной регулировкой до 1-2kW

mastervictor ©:

Плитка Ricci JDL-C20A15, Black

Помучившись с ней...

Вот-вот! Именно про эту плитку я и писал вопрос про отключение... Так что ещё и по этому поводу  помучаетесь, коллега...
Но если вдруг найдёте решение - буду премного благодарен!

36

Re: Индукционная плита с плавной регулировкой до 1-2kW

В общей сложности,плита после модернизации,отработала более 40 часов,нареканий нет.
Отключения каждые 3 часа,избегаю тем,что периодически быстро прожожу по клавишам +,и сразу -.

Нет ничего невозможного,необходимо две вещи,время и деньги!(Я)
Я отношусь к людям так,как они относятся ко мне!(Я)

37

Re: Индукционная плита с плавной регулировкой до 1-2kW

mastervictor ©:

В общей сложности,плита после модернизации,отработала более 40 часов

А что ей будет? (с)Иван

38

Re: Индукционная плита с плавной регулировкой до 1-2kW

Андрей М ©:

А что ей будет?

Ну я ХЗ!
Отогнал очередную партию браги на СС,без замечаний.
С утра залил СС в бак,плитку на максимум,регулятор на максимум ........ а она давай щелкать в нутри,мощномер скачет ..... очень похоже на циклическую работу при мощности 300-900 Вт. Сам в этом ни силен,отдал в ремонт.
При полном максимуме, мощномер показывал 2450 Вт.
Не явилось ли это причиной поломки?
Кто в этом силен/вангует-поделитесь мыслями!

Нет ничего невозможного,необходимо две вещи,время и деньги!(Я)
Я отношусь к людям так,как они относятся ко мне!(Я)

39

Re: Индукционная плита с плавной регулировкой до 1-2kW

Эти плитки на режимах 900 и ниже действительно работают в переменном режиме. На 1200 и выше - режим постоянный, и щелкать не должно.
Я на своей плитке из-за нескольких разборов обтряс термопасту с температурного датчика, который находится под стеклом. Из-за этого грешу на выскакивающую ошибку и отключение. Куплю пасту, намажу и проверю. После отпишусь...

40

Re: Индукционная плита с плавной регулировкой до 1-2kW

UrdgiN ©:

щелкать не должно.

Я знаю,а она щелкает,ни того ни с сего!

UrdgiN ©:

Из-за этого грешу на выскакивающую ошибку и отключение.

99,9% не подключен датчик к плате.

Нет ничего невозможного,необходимо две вещи,время и деньги!(Я)
Я отношусь к людям так,как они относятся ко мне!(Я)